facebook
twitter
kakao
Home
·Î±×ÀÎ
ȸ¿ø°¡ÀÔ
ȸ»ç¼Ò°³
Àλ縻
À§Ä¡¾È³»
Á¦Ç°¼Ò°³
REMOCON
SWITCH
VOLUME
THERMOSTAT
Ä¿¹Â´ÏƼ
°øÁö»çÇ×
¹®ÀÇ°Ô½ÃÆÇ
Àüüº¸±â
Àüüº¸±â
Á¦Ç°¼Ò°³
Product info
REMOCON
¸®¸ðÄÜ
SWITCH
½ºÀ§Ä¡
VOLUME
°¡º¯ÀúÇ×
THERMOSTAT
ÀÚµ¿¿ÂµµÁ¶Àý±â
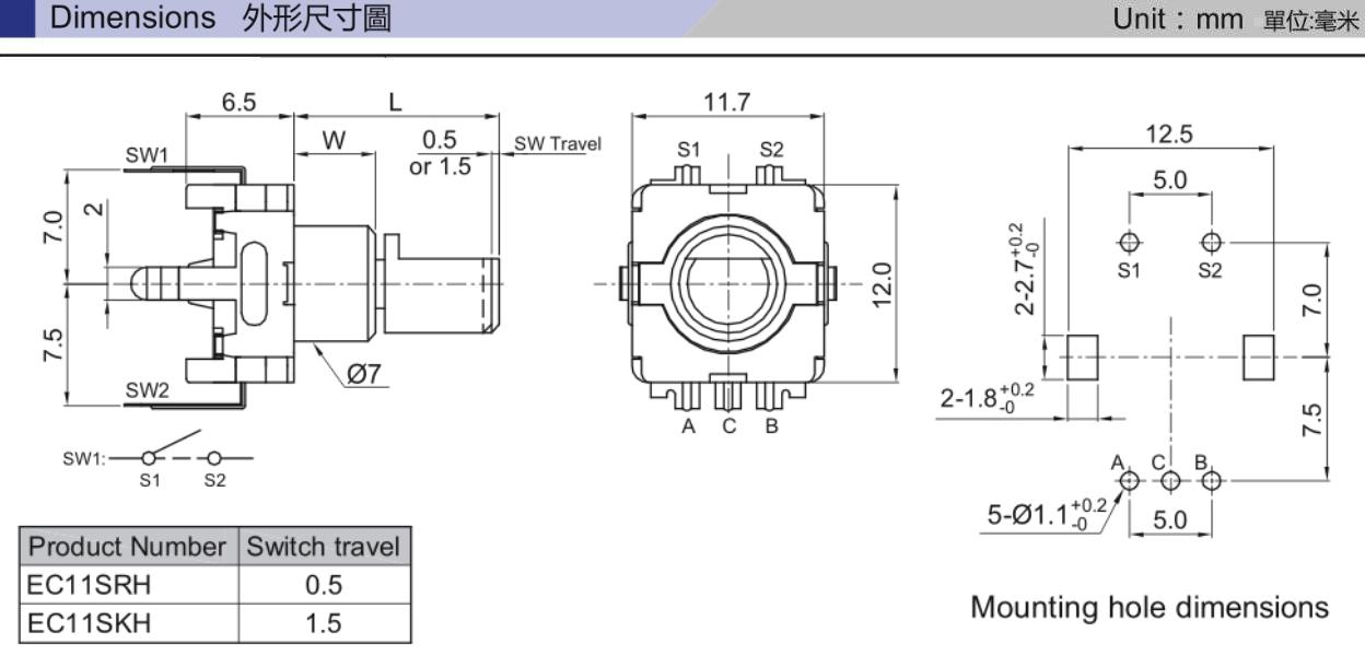
VOLUME
Á¦¸ñ
EC11SRH
Ä«Å×°í¸®
[22] EC11
÷ºÎÆÄÀÏ